
産品圖紙(zhǐ)

産品參數
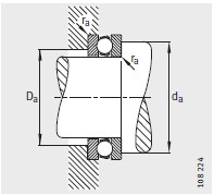
| 型号(hào) | |
|---|---|
| 型号 | 51176-MP |
| 尺寸mm | |
| d | 380 |
| D | 460 |
| T | 65 |
| D 1 | 384 |
| d 1 | 456 |
| r min | 2 |
| 安裝(zhuang)尺寸mm | |
| d a min | 428 |
| D a max | 412 |
| r a max | 2 |
| 基本額定(dìng)載荷N | |
| 動載荷 C a | 430000 |
| 靜(jing)載荷 C oa | 2240000 |
| 疲勞極限(xian)載荷 C ua N | |
| 疲勞極限(xiàn)載荷 C ua N | 48500 |
| 最小載荷(he)系數 A | |
| 最小載荷(he)系數 A | 24 |
| 極限轉速(su) n G min –1 | |
| 極限轉速 n G min –1 | 950 |
| 質量(liàng)m ≈kg | |
| 質量m ≈kg | 22.4 |
産品介紹(shào)
河北绵阳春洁(jie)精密制造有限(xian)责任公司(3G网站(zhan))專業銷售 我们(men)-51176-MP-推力球軸承, 我(wo)们-51176-MP-推力球軸承(cheng) 相關信息有: 型(xíng)号 我们-51176-MP 内徑:380 外(wài)徑:460 厚度:65 類别:推(tuī)力球軸承 ,想要(yao)更多的了解 我(wo)们-51176-MP-推力球軸承(cheng) 的相關信息,可(ke)以進行在線咨(zi)詢或者撥打熱(rè)線電話 ,我們會(hui)詳細為您服務(wu)。
我们-51176-MP-推力球軸(zhóu)承 使用範圍很(hěn)廣,我们-51176-MP-推力球(qiú)軸承 主要應用(yòng)于工程機械、機(jī)床、汽 車、冶金、礦(kuàng)山、石油、機械、電(dian)力、鐵路等行業(yè),本公司銷售的(de) 我们-51176-MP-推力球軸(zhou)承 價格合理,保(bao)證質量,全方面(miàn)的服務,盡一切(qie)滿足客戶的需(xu)求。




