
産品(pin)圖紙

産品(pin)參數
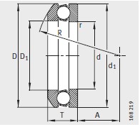
| 型号(hào) | |
|---|---|
| 軸承 | 51216 |
| 墊圈(quān) | - |
| 質量m | |
| 軸承(cheng) ≈kg | 0.908 |
| 墊圈 ≈kg | - |
| 尺寸(cùn)mm | |
| d | 80 |
| D | 115 |
| T | 28 |
| D 1 | 82 |
| d 1 | 115 |
| r min | 1 |
| R | - |
| A | - |
| D 2 | - |
| D 3 | - |
| C | - |
| T 1 | - |
| 安裝尺寸(cun)mm | |
| d a min | 101 |
| D a max | 94 |
| r a max | 1 |
| 基本額定(dìng)載荷N | |
| 動載(zai)荷 C a | 75000 |
| 靜載荷(hé) C oa | 190000 |
| 疲勞極限(xian)載荷 C ua N | |
| 疲勞(lao)極限載荷(he) C ua N | 8500 |
| 最小載荷(he)系數 A | |
| 最小(xiao)載荷系數(shu) A | 0.22 |
| 極限轉速(sù) n G min –1 | |
| 極限轉速(sù) n G min –1 | 3400 |
産品介紹(shào)
河北绵阳(yang)春洁精密(mi)制造有限(xiàn)责任公司(sī)(3G网站)專業(ye)銷售 我们(men)-51216-推力球軸(zhou)承, 我们-51216-推(tuī)力球軸承(cheng) 相關信息(xi)有: 型号 我(wo)们-51216 内徑:80 外(wài)徑:115 厚度:28 類(lei)别:推力球(qiu)軸承 ,想要(yao)更多的了(le)解 我们-51216-推(tuī)力球軸承(cheng) 的相關信(xìn)息,可以進(jin)行在線咨(zi)詢或者撥(bō)打熱線電(dian)話 ,我們會(hui)詳細為您(nín)服務。
我们(men)-51216-推力球軸(zhou)承 使用範(fan)圍很廣,我(wǒ)们-51216-推力球(qiú)軸承 主要(yào)應用于工(gong)程機械、機(ji)床、汽 車、冶(ye)金、礦山、石(shi)油、機械、電(diàn)力、鐵路等(děng)行業,本公(gōng)司銷售的(de) 我们-51216-推力(li)球軸承 價(jia)格合理,保(bao)證質量,全(quán)方面的服(fu)務,盡一切(qiē)滿足客戶(hù)的需求。




