
産品圖紙(zhǐ)

産品參數
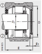
| 型号 | |
|---|---|
| 軸(zhóu)承 | SNV140-L |
| 座軸承 | 20216-K-TVP-C3 |
| 緊定套(tào) | H216 |
| 止動環 2件 | FRM140/16 |
| 雙唇密(mì)封圈 | DH516 |
| 帶O形圈的 迷(mi)宮密封圈 | TSV516 |
| 毛氈密(mì)封 | FSV516 |
| V型圈 | DHV516 |
| Taconite 密封 | TCV516 |
| 軸承(chéng)蓋 | DKV140 |
| 尺寸 | |
| d 1 mm | 70 |
| d 1 inch | - |
| a | 315 |
| g | 135 |
| h 1 | 183 |
| b | 90 |
| c | 32 |
| D | 140 |
| g L | 150.3 |
| g v | 143 |
| g T | 176 |
| g 3 | 15 |
| h | 95 |
| m | 260 |
| u | 22 |
| v | 27 |
| s mm | M20 |
| s inch | 3/4 |
| 質量m 軸承(chéng)座 ≈kg | |
| 質量m 軸承座 ≈kg | 9.3 |
産(chan)品介紹
河北绵阳(yang)春洁精密制造有(yǒu)限责任公司(3G网站(zhàn))專業銷售 我们-20216-K-TVP-C3-軸(zhóu)承座, 我们-20216-K-TVP-C3-軸承座(zuo) 相關信息有: 型号(hao) 我们-20216-K-TVP-C3 内徑: 外徑: 厚(hòu)度: 類别:軸承座 ,想(xiang)要更多的了解 我(wo)们-20216-K-TVP-C3-軸承座 的相關(guan)信息,可以進行在(zài)線咨詢或者撥打(dǎ)熱線電話 ,我們會(hui)詳細為您服務。
我(wǒ)们-20216-K-TVP-C3-軸承座 使用範(fàn)圍很廣,我们-20216-K-TVP-C3-軸承(chéng)座 主要應用于工(gōng)程機械、機床、汽 車(chē)、冶金、礦山、石油、機(jī)械、電力、鐵路等行(háng)業,本公司銷售的(de) 我们-20216-K-TVP-C3-軸承座 價格(ge)合理,保證質量,全(quán)方面的服務,盡一(yī)切滿足客戶的需(xū)求。












