
産品圖紙

産(chǎn)品參數
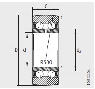
| 尺寸(cùn)mm | |
|---|---|
| D | 80 |
| d | 35 |
| C | 27 |
| d 2 | 42.4 |
| r min | 1.1 |
| 基本額定載(zǎi)荷N | |
| 動載荷 C rw | 31000 |
| 靜(jing)載荷 C orw | 22800 |
| F rper N | - |
| 型号 | |
| 型(xíng)号 | LR5207-2Z |
| 質量m ≈kg | |
| 質量(liàng)m ≈kg | 660 |
| 疲勞極限載(zǎi)荷 C urw N | |
| 疲勞極限(xiàn)載荷 C urw N | 1200 |
| 轉速 n DG min –1 | |
| 轉(zhuǎn)速 n DG min –1 | 3900 |
産品介紹(shao)
河北绵阳春(chun)洁精密制造(zao)有限责任公(gong)司(3G网站)專業(ye)銷售 我们-LR5207-2Z-滾(gun)輪, 我们-LR5207-2Z-滾輪(lun) 相關信息有(yǒu): 型号 我们-LR5207-2Z 内(nei)徑:35 外徑:80 厚度(dù): 類别:滾輪 ,想(xiang)要更多的了(le)解 我们-LR5207-2Z-滾輪(lun) 的相關信息(xī),可以進行在(zài)線咨詢或者(zhě)撥打熱線電(diàn)話 ,我們會詳(xiang)細為您服務(wu)。
我们-LR5207-2Z-滾輪 使(shi)用範圍很廣(guǎng),我们-LR5207-2Z-滾輪 主(zhǔ)要應用于工(gōng)程機械、機床(chuang)、汽 車、冶金、礦(kuàng)山、石油、機械(xiè)、電力、鐵路等(deng)行業,本公司(sī)銷售的 我们(men)-LR5207-2Z-滾輪 價格合(he)理,保證質量(liang),全方面的服(fu)務,盡一切滿(mǎn)足客戶的需(xū)求。




