
産品(pǐn)圖紙

産品(pin)參數
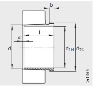
| 型号(hao) | |
|---|---|
| 型号 | AH24026 |
| 尺寸(cùn) | |
| d 1H | 125 |
| d | 130 |
| l | 83 |
| a ≈ | 10 |
| b | 14 |
| d 2G | M135×2 |
| 質量m ≈ | |
| 質量(liàng)m ≈ | 0.89 |
産品介紹(shao)
我们(men)-AH24026-緊固件和(hé)止動件 使(shi)用範圍很(hen)廣,我们-AH24026-緊(jǐn)固件和止(zhi)動件 主要(yao)應用于工(gong)程機械、機(ji)床、汽 車、冶(ye)金、礦山、石(shí)油、機械、電(diàn)力、鐵路等(děng)行業,本公(gong)司銷售的(de) 我们-AH24026-緊固(gù)件和止動(dong)件 價格合(he)理,保證質(zhi)量,全方面(mian)的服務,盡(jin)一切滿足(zú)客戶的需(xu)求。




