
産品(pǐn)圖紙

産品參(can)數
| 型号 | |
|---|---|
| 軸承(cheng)座 | SD3136-H-TS-A-L |
| 軸承 | 23136-E1-K-TVPB |
| 緊定(ding)套 | H3136 |
| 止動環(件(jian)) | FRM300/10(2) |
| 帶O形圈的迷(mi)宮密封圈(件(jiàn)) | TS36(1) |
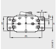
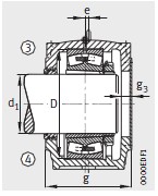
| 尺寸 | |
| d 1 | 160 |
| a | 530 |
| g | 240 |
| h 1 | 355 |
| b | 190 |
| c | 75 |
| D | 300 |
| e | 15 |
| g L | - |
| g 3 | 35 |
| h | 180 |
| m | 450 |
| n | 110 |
| u | 30 |
| v | 36 |
| s mm | M24 |
| s inch | 1 |
| 質量 m 軸(zhou)承座 ≈kg | |
| 質量 m 軸(zhou)承座 ≈kg | 78 |
産品介(jie)紹
我们-23136-E1-K-TVPB-軸承座(zuo) 使用範圍很(hen)廣,我们-23136-E1-K-TVPB-軸承(cheng)座 主要應用(yong)于工程機械(xie)、機床、汽 車、冶(ye)金、礦山、石油(you)、機械、電力、鐵(tie)路等行業,本(běn)公司銷售的(de) 我们-23136-E1-K-TVPB-軸承座(zuò) 價格合理,保(bao)證質量,全方(fang)面的服務,盡(jin)一切滿足客(ke)戶的需求。












