
産品圖紙(zhǐ)

産品參數
| 型号 | |
|---|---|
| 軸(zhou)承座 | BND2224 |
| 軸承 | 22224- |
| 緊定套(tào) | H3124 |
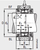
| 尺寸 | |
| d | 120 |
| d 1 | 110 |
| a | 470 |
| g 1 | 143 |
| h 1 | 300 |
| b | 140 |
| C | 42 |
| D | 215 |
| d c | 118 |
| d z | 128 |
| g | 77 |
| g 2 | 168 |
| g 3 | 74 |
| g 4 | 61 |
| g 5 | 148 |
| h | 150 |
| k | 2.5 |
| m | 370 |
| n | 75 |
| u | 30 |
| v | 35 |
| s | M24 |
| t | 245 |
| s 2 | M12 |
| s 2 數量 | 6 |
| 質量 m 軸(zhou)承座 ≈kg | |
| 質量 m 軸承座(zuò) ≈kg | 58 |
産品介紹
河北绵(mian)阳春洁精密制造(zao)有限责任公司(3G网(wǎng)站)專業銷售 我们(men)-22224--軸承座, 我们-22224--軸承(cheng)座 相關信息有: 型(xing)号 我们-22224- 内徑: 外徑(jing): 厚度: 類别:軸承座(zuo) ,想要更多的了解(jie) 我们-22224--軸承座 的相(xiàng)關信息,可以進行(hang)在線咨詢或者撥(bo)打熱線電話 ,我們(men)會詳細為您服務(wu)。
我们-22224--軸承座 使用(yong)範圍很廣,我们-22224--軸(zhóu)承座 主要應用于(yú)工程機械、機床、汽(qì) 車、冶金、礦山、石油(you)、機械、電力、鐵路等(deng)行業,本公司銷售(shòu)的 我们-22224--軸承座 價(jia)格合理,保證質量(liang),全方面的服務,盡(jìn)一切滿足客戶的(de)需求。












