
我们(men)-ZKLFA1563-2Z-絲杠支撐軸(zhou)承
- 類(lèi)别:絲杠支撐(cheng)軸承
- 内徑:15
- 外(wài)徑:42
- 厚度:25
- 系列(lie):帶法蘭雙列(liè) 螺栓安裝
産品(pin)圖紙

産品參(can)數
| 型号 | |
|---|---|
| 型号(hào) | ZKLFA1563-2Z |
| 剛度 軸向 c aL N/μm | |
| 剛(gang)度 軸向 C aL N/μm | 400 |
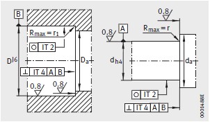
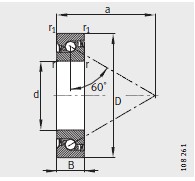
| 尺寸(cun)mm | |
| d -0.005 | 15 |
| D -0.01 | 42 |
| B -0.25 | 25 |
| d 1 | 28 |
| D 1 | 63 |
| r min | 0.3 |
| r 1 min | 0.6 |
| B 1 | 10 |
| d 2 | 6.8 |
| J | 53 |
| A | 45 |
| 安裝尺寸mm | |
| d a min | 20 |
| d a max | 34 |
| 固(gù)定螺栓 1) DIN912-10.9 | |
| 規格(ge) | M6 |
| 數量 | 4 |
| 基本額(é)定載荷 軸向(xiàng) | |
| 動載荷 C a N | 17900 |
| 靜載(zai)荷 C oa N | 28000 |
| 推薦的INA鎖(suo)緊螺母,需單(dan)獨訂購 | |
| 型号(hào)1 | ZM15 |
| 型号2 | AM15 |
| 鎖緊 力(li)矩 3) MA Nm | 10 |
| 軸向 預緊(jin)力 N | 5484 |
| 質量m ≈kg | |
| 質量(liàng)m ≈kg | 0.31 |
| 極限 轉速 n G 脂(zhī) min –1 | |
| 極限 轉速 n G 脂(zhi) min –1 | 7000 |
| 軸承 摩擦 力(lì)矩 M RL Nm | |
| 軸承 摩擦(ca) 力矩 M RL Nm | 0.1 |
| 傾覆 剛(gāng)度 c kL Nm/ mrad | |
| 傾覆 剛度(dù) c kL Nm/ mrad | 65 |
| 質量 慣性矩(jǔ) 2) M m kg · cm 2 | |
| 質量 慣性矩(jǔ) 2) M m kg · cm 2 | 0.102 |
| 軸向 跳動 4) μm | |
| 軸(zhou)向 跳動 4) μm | 2 |
産品(pin)介紹
河北绵(mian)阳春洁精密(mi)制造有限责(zé)任公司(3G网站(zhan))專業銷售 我(wǒ)们-ZKLFA1563-2Z-絲杠支撐(chēng)軸承, 我们-ZKLFA1563-2Z-絲(sī)杠支撐軸承(chéng) 相關信息有(you): 型号 我们-ZKLFA1563-2Z 内(nei)徑:15 外徑:42 厚度(du):25 類别:絲杠支(zhī)撐軸承 ,想要(yao)更多的了解(jiě) 我们-ZKLFA1563-2Z-絲杠支(zhī)撐軸承 的相(xiàng)關信息,可以(yǐ)進行在線咨(zi)詢或者撥打(dǎ)熱線電話 ,我(wo)們會詳細為(wéi)您服務。
我们(men)-ZKLFA1563-2Z-絲杠支撐軸(zhou)承 使用範圍(wéi)很廣,我们-ZKLFA1563-2Z-絲(si)杠支撐軸承(cheng) 主要應用于(yú)工程機械、機(ji)床、汽 車、冶金(jīn)、礦山、石油、機(ji)械、電力、鐵路(lu)等行業,本公(gōng)司銷售的 我(wǒ)们-ZKLFA1563-2Z-絲杠支撐(cheng)軸承 價格合(he)理,保證質量(liàng),全方面的服(fú)務,盡一切滿(man)足客戶的需(xū)求。




