
我们-ZARN3062-TV-絲杠支撐(chēng)軸承
- 類别:絲杠(gang)支撐軸承
- 内徑:30
- 外(wài)徑:62
- 厚度:10
- 系列:輕載(zǎi)系列 非螺栓安裝(zhuang) d 15-30mm
産品圖(tu)紙

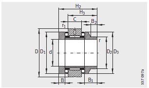
産品參數
| 尺寸(cùn)(mm) | |
|---|---|
| d | 30 |
| D | 62 |
| H | 50 |
| H 1 | 35 |
| H 2 | - |
| H 3 | - |
| C | 20 |
| D 1 | 52 |
| D 2 | - |
| D 3 | - |
| B | 10 |
| B 1 | - |
| B 2 | - |
| r min | 0.3 |
| r 1 min | 0.6 |
| 型号 | |
| 型号 | ZARN3062-TV |
| 質量 m ≈kg | |
| 質(zhi)量 m ≈kg | 0.6 |
| 安裝尺寸 1) | |
| D a max | 53 |
| d a min | 44 |
| 基本(běn)額定載荷 | |
| 軸向動(dong)載荷 C a N | 39000 |
| 軸向靜載荷(he) C oa N | 101000 |
| 徑向動載荷 C r N | 24300 |
| 徑向(xiang)靜載荷C or N | 41500 |
| 極限轉速(su) | |
| n G 油 min -1 | 5500 |
| n G 脂 min -1 | 1800 |
| 軸承摩擦 力(lì)矩 M RL N m | |
| 軸承摩擦 力矩(ju) M RL N m | 0.65 |
| 剛度 軸向 c aL N/μm | |
| 剛度 軸(zhou)向 c aL N/μm | 2200 |
| 軸向 跳動 6) μm | |
| 軸向(xiàng) 跳動 6) μm | |
産品介紹
河(hé)北绵阳春洁精密(mì)制造有限责任公(gōng)司(3G网站)專業銷售(shou) 我们-ZARN3062-TV-絲杠支撐軸(zhou)承, 我们-ZARN3062-TV-絲杠支撐(cheng)軸承 相關信息有(yǒu): 型号 我们-ZARN3062-TV 内徑:30 外(wài)徑:62 厚度:10 類别:絲杠(gàng)支撐軸承 ,想要更(gèng)多的了解 我们-ZARN3062-TV-絲(si)杠支撐軸承 的相(xiàng)關信息,可以進行(háng)在線咨詢或者撥(bō)打熱線電話 ,我們(men)會詳細為您服務(wu)。
我们-ZARN3062-TV-絲杠支撐軸(zhou)承 使用範圍很廣(guang),我们-ZARN3062-TV-絲杠支撐軸(zhou)承 主要應用于工(gong)程機械、機床、汽 車(che)、冶金、礦山、石油、機(jī)械、電力、鐵路等行(hang)業,本公司銷售的(de) 我们-ZARN3062-TV-絲杠支撐軸(zhou)承 價格合理,保證(zhèng)質量,全方面的服(fu)務,盡一切滿足客(kè)戶的需求。




