
産品圖紙(zhǐ)

産品參數
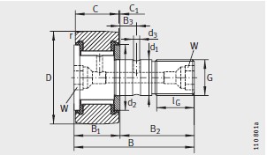
| 尺寸(cun)mm | |
|---|---|
| D | 35 |
| d 1 h7 | 16 |
| B | 52 |
| B 1 max | 19.6 |
| B 2 | 32.5 |
| B 3 | 8 |
| C | 18 |
| C 1 | 0.8 |
| r min | 0.6 |
| d 2 | 27.6 |
| d 3 | 3 |
| G | M16×1.5 |
| l G | 17 |
| W 2) | 8 |
| 偏心套 d e h9 | - |
| 偏心套(tao) B e | - |
| 偏心套 e | - |
| 基本額(é)定載荷N | |
| 動載荷(hé) C rw | 9700 |
| 靜載荷 C orw | 14300 |
| 型号 | |
| 型(xing)号 | KR35 |
| 質量m ≈kg | |
| 質量m ≈kg | 173 |
| 疲(pi)勞極限載荷 C urw N | |
| 疲(pi)勞極限載荷 C urw N | 1830 |
| 轉(zhuan)速 n DG min –1 | |
| 轉速 n DG min –1 | 3600 |
| 帶偏心(xin)套 型号 | |
| 帶偏心(xīn)套 型号 | - |
| 壓入式(shì)配合 潤滑油嘴(zui) 1) | |
| 壓入式配合 潤(rùn)滑油嘴 1) | NIPA2X7.5 |
| 擰緊力(li)矩 MA Nm | |
| 擰緊力矩 MA Nm | 58 |
産(chan)品介紹
河北绵(mian)阳春洁精密制(zhi)造有限责任公(gōng)司(3G网站)專業銷(xiao)售 我们-KR35-滾輪, 我(wo)们-KR35-滾輪 相關信(xìn)息有: 型号 我们(men)-KR35 内徑: 外徑:35 厚度(dù):52 類别:滾輪 ,想要(yào)更多的了解 我(wǒ)们-KR35-滾輪 的相關(guan)信息,可以進行(hang)在線咨詢或者(zhě)撥打熱線電話(huà) ,我們會詳細為(wei)您服務。
我们-KR35-滾(gǔn)輪 使用範圍很(hěn)廣,我们-KR35-滾輪 主(zhu)要應用于工程(cheng)機械、機床、汽 車(che)、冶金、礦山、石油(yóu)、機械、電力、鐵路(lù)等行業,本公司(sī)銷售的 我们-KR35-滾(gǔn)輪 價格合理,保(bao)證質量,全方面(miàn)的服務,盡一切(qiē)滿足客戶的需(xū)求。




