
産品(pǐn)圖紙

産品(pǐn)參數
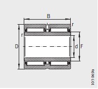
| 尺寸(cùn)mm | |
|---|---|
| d | 25 |
| F | 29 |
| D | 38 |
| B | 30 |
| r min | 0.3 |
| s 2) | 1.5 |
| 基本額定(ding)載荷N | |
| 動載(zǎi)荷 C r | 37000 |
| 靜載荷(he) C or | 57000 |
| X-life | |
| X-life | XL |
| 疲勞極限(xiàn)載荷 C ur /N | |
| 疲勞(lao)極限載荷(he) C ur /N | 10600 |
| 極限轉速(su) n G min –1 | |
| 極限轉速(su) n G min –1 | 15300 |
| 質量m ≈kg | |
| 質量(liang)m ≈kg | 124 |
| 參考轉速(sù) n B min –1 | |
| 參考轉速(su) n B min –1 | 8200 |
| 型号1 | |
| 型号(hao)1 | NKI25/30 |
| 型号2 | |
| 型号(hao)2 | - |
| 型号3 | |
| 型号(hào)3 | - |
| 型号4 | |
| 型号(hao)4 | - |




