
我们(men)-293/750-E-MB-推力調心滾子(zi)軸承
- 類别(bié):推力調心滾子(zi)軸承
- 内徑:750
- 外徑(jing):1120
- 厚度:224
- 系列:d 440-850mm
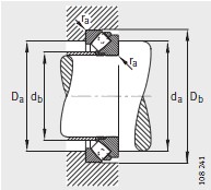
産品圖紙(zhǐ)

産品參數
| 尺寸(cun)mm | |
|---|---|
| d | 750 |
| D | 1120 |
| T | 224 |
| D 1 | 909 |
| d 1 | 1045 |
| r min | 9.5 |
| T 1 | 108 |
| T 2 | 81 |
| T 3 | 140 |
| T 4 | 159 |
| A | 415 |
| 安裝尺寸mm | |
| d a min | 915 |
| D a max | 1015 |
| D b min | 1142 |
| d b max | 795 |
| r a max | 8 |
| 基本(ben)額定載荷N | |
| 動載(zai)荷 C a | 10800000 |
| 靜載荷 C oa | 51000000 |
| 型号(hào) | |
| 型号 | 293/750-E-MB |
| 質量m ≈kg | |
| 質量(liang)m ≈kg | 716 |
| 疲勞極限載荷(he) C ua N | |
| 疲勞極限載荷(hé) C ua N | 2420000 |
| 極限轉速 n G min –1 | |
| 極限(xiàn)轉速 n G min –1 | 450 |
| 參考轉速(su) n B min –1 | |
| 參考轉速 n B min –1 | 255 |
産品(pǐn)介紹
河北绵阳(yang)春洁精密制造(zao)有限责任公司(sī)(3G网站)專業銷售(shou) 我们-293/750-E-MB-推力調心(xīn)滾子軸承, 我们(men)-293/750-E-MB-推力調心滾子(zǐ)軸承 相關信息(xi)有: 型号 我们-293/750-E-MB 内(nèi)徑:750 外徑:1120 厚度:224 類(lei)别:推力調心滾(gǔn)子軸承 ,想要更(geng)多的了解 我们(men)-293/750-E-MB-推力調心滾子(zǐ)軸承 的相關信(xìn)息,可以進行在(zài)線咨詢或者撥(bō)打熱線電話 ,我(wǒ)們會詳細為您(nin)服務。
我们-293/750-E-MB-推力(lì)調心滾子軸承(chéng) 使用範圍很廣(guǎng),我们-293/750-E-MB-推力調心(xīn)滾子軸承 主要(yao)應用于工程機(ji)械、機床、汽 車、冶(yě)金、礦山、石油、機(jī)械、電力、鐵路等(deng)行業,本公司銷(xiao)售的 我们-293/750-E-MB-推力(li)調心滾子軸承(chéng) 價格合理,保證(zheng)質量,全方面的(de)服務,盡一切滿(mǎn)足客戶的需求(qiú)。




