
我们(men)-29412-E1-推力調(diao)心滾子(zi)軸承
- 類别(bie):推力調(diào)心滾子(zi)軸承
- 内(nèi)徑:60
- 外徑(jing):130
- 厚度:42
- 系(xi)列:d 60-200mm
産(chǎn)品圖紙(zhǐ)

産品參(cān)數
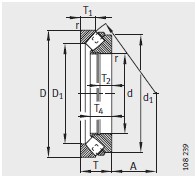
| 尺寸(cùn)mm | |
|---|---|
| d | 60 |
| D | 130 |
| T | 42 |
| D 1 | 85.5 |
| d 1 | 116.5 |
| r min | 1.5 |
| T 1 | 21 |
| T 2 | - |
| T 3 | 27 |
| T 4 | - |
| T 5 | 37.5 |
| A | 38 |
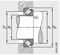
| 安裝尺(chi)寸mm | |
| d a min | 95 |
| D a max | 107 |
| D b min | 133 |
| d b max | 67 |
| d b1 max | - |
| r a max | 1.5 |
| 基本(ben)額定載(zai)荷N | |
| 動載(zai)荷 C a | 420000 |
| 靜載(zai)荷 C oa | 970000 |
| 型号(hào) | |
| 型号 | 29412-E1 |
| X-life | |
| X-life | XL |
| 質(zhi)量m ≈kg | |
| 質量(liang)m ≈kg | 2.5 |
| 疲勞極(jí)限載荷(he) C ua N | |
| 疲勞極(jí)限載荷(he) C ua N | 116000 |
| 極限轉(zhuan)速 n G min –1 | |
| 極限(xiàn)轉速 n G min –1 | 6000 |
| 參(cān)考轉速(su) n B min –1 | |
| 參考轉(zhuǎn)速 n B min –1 | 2750 |
産品(pin)介紹
河(he)北绵阳(yáng)春洁精(jing)密制造(zào)有限责(ze)任公司(si)(3G网站)專(zhuan)業銷售(shòu) 我们-29412-E1-推(tuī)力調心(xin)滾子軸(zhóu)承, 我们(men)-29412-E1-推力調(diao)心滾子(zǐ)軸承 相(xiang)關信息(xi)有: 型号(hao) 我们-29412-E1 内(nèi)徑:60 外徑(jìng):130 厚度:42 類(lei)别:推力(lì)調心滾(gun)子軸承(chéng) ,想要更(geng)多的了(le)解 我们(men)-29412-E1-推力調(diào)心滾子(zi)軸承 的(de)相關信(xin)息,可以(yǐ)進行在(zài)線咨詢(xun)或者撥(bō)打熱線(xian)電話 ,我(wo)們會詳(xiáng)細為您(nín)服務。
我(wo)们-29412-E1-推力(li)調心滾(gun)子軸承(chéng) 使用範(fan)圍很廣(guang),我们-29412-E1-推(tuī)力調心(xin)滾子軸(zhou)承 主要(yao)應用于(yu)工程機(jī)械、機床(chuang)、汽 車、冶(ye)金、礦山(shān)、石油、機(ji)械、電力(li)、鐵路等(děng)行業,本(ben)公司銷(xiao)售的 我(wǒ)们-29412-E1-推力(lì)調心滾(gun)子軸承(chéng) 價格合(hé)理,保證(zheng)質量,全(quan)方面的(de)服務,盡(jìn)一切滿(man)足客戶(hù)的需求(qiu)。




