
産品(pin)圖紙

産品參數(shu)
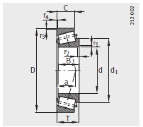
| 型号 | |
|---|---|
| 型号 | 30319-A |
| 尺寸(cun)mm | |
| d | 95 |
| D | 200 |
| B | 45 |
| C | 38 |
| T | 49.5 |
| r1, r2 min | 4 |
| r3, r4 min | 3 |
| a ≈ | 40 |
| d 1 ≈ | 139 |
| 安裝尺寸mm | |
| d a max | 118 |
| d b min | 109 |
| D a min | 172 |
| D a max | 186 |
| D b min | 184 |
| C a min | 6 |
| C b min | 11.5 |
| r a max | 4 |
| r b max | 3 |
| 基本(ben)額定載荷N | |
| 動載(zai)荷 C r | 360000 |
| 靜載荷 C or | 440000 |
| 計算(suan)系數 | |
| e | 0.35 |
| Y | 1.74 |
| Y 0 | 0.96 |
| 質量/ m ≈kg | |
| 質量(liàng)/ m ≈kg | 6.77 |
| 疲勞極限載荷(hé) C ur / N | |
| 疲勞極限載荷(hé) C ur / N | 47500 |
| 極限轉速 n G min –1 | |
| 極限(xiàn)轉速 n G min –1 | 3650 |
| 可互換型(xing)号按照 ISO355 | |
| 可互換(huan)型号按照 ISO355 | T2GB095 |
| 參考(kao)轉速 n B min –1 | |
| 參考轉速(sù) n B min –1 | 3000 |
| X-life | |
| X-life | - |
産品介紹
河北(běi)绵阳春洁精密(mi)制造有限责任(rèn)公司(3G网站)專業(ye)銷售 我们-30319-A-圓錐(zhuī)滾子軸承, 我们(men)-30319-A-圓錐滾子軸承(chéng) 相關信息有: 型(xíng)号 我们-30319-A 内徑:95 外(wai)徑:200 厚度:45 類别:圓(yuán)錐滾子軸承 ,想(xiang)要更多的了解(jiě) 我们-30319-A-圓錐滾子(zi)軸承 的相關信(xìn)息,可以進行在(zài)線咨詢或者撥(bō)打熱線電話 ,我(wǒ)們會詳細為您(nín)服務。
我们-30319-A-圓錐(zhui)滾子軸承 使用(yòng)範圍很廣,我们(men)-30319-A-圓錐滾子軸承(chéng) 主要應用于工(gōng)程機械、機床、汽(qi) 車、冶金、礦山、石(shí)油、機械、電力、鐵(tie)路等行業,本公(gōng)司銷售的 我们(men)-30319-A-圓錐滾子軸承(chéng) 價格合理,保證(zhèng)質量,全方面的(de)服務,盡一切滿(man)足客戶的需求(qiu)。







